Descripción
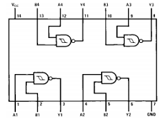
“Tipo: Cuatro puertas NAND de dos entradas con Schmitt-Trigger.
Número de entradas: 2 por cada puerta NAND.
Número de salidas: 4 (una por cada puerta NAND).
Histéresis en la entrada: Mejora la inmunidad al ruido y permite el uso con señales analógicas de transición lenta.
Tensión de alimentación (Vcc): 4.75 V a 5.25 V (típico 5V).
Consumo de corriente (Icc): 4 mA (máximo).
Tensión de entrada (Vin):
Alto (mín.): 2 V
Bajo (máx.): 0.8 V
Tensión de salida (Vout):
Alto (mín.): 2.7 V
Bajo (máx.): 0.5 V
Corriente de salida (Iol): 8 mA (cuando la salida es baja).
Tiempo de propagación (tpd): 10 ns (típico).
Encapsulado: DIP-14 (THT).
Montaje: A través de orificios (THT).
Aplicaciones comunes:
Eliminación de rebotes en interruptores y pulsadores.
Generación de señales estables en sistemas digitales.
Implementación de osciladores y temporizadores digitales.
Control de señales con transiciones lentas.”





